New and used industrial and Construction equipment for sale.

Services for industry and construction for sale.


Net price: 0 €
VAT: 0 €
Total: 0 €

Product ID: Bau-000024285
Price: 0 €
Section: Construction machinery
Category: Road construction machines
Manufacturer: Other
Model year: 2018
Offer type: Buy

BAG Klöch Aufbereitungstechnik GmBH

Austria, Upper Austria Klöchberg 160 8493 Klöch Austria

Wasseraufbereitungsanlage / Frischwasserrückgewinnung / Schlammaufbereitung


Model name: Schlammaufbereitung,
Sale type: For Sale,
{{ cf.title_en }}: {{ cf.value }},
Net price: 0 €
VAT: 0 €
Total: 0 €
Price on Request

Product ID: Bau-000024285
Price: 0 €
Section: Construction machinery
Category: Road construction machines
Manufacturer: Other
Model year: 2018
Offer type: Buy

Поделиться объявлением:

Offer Description

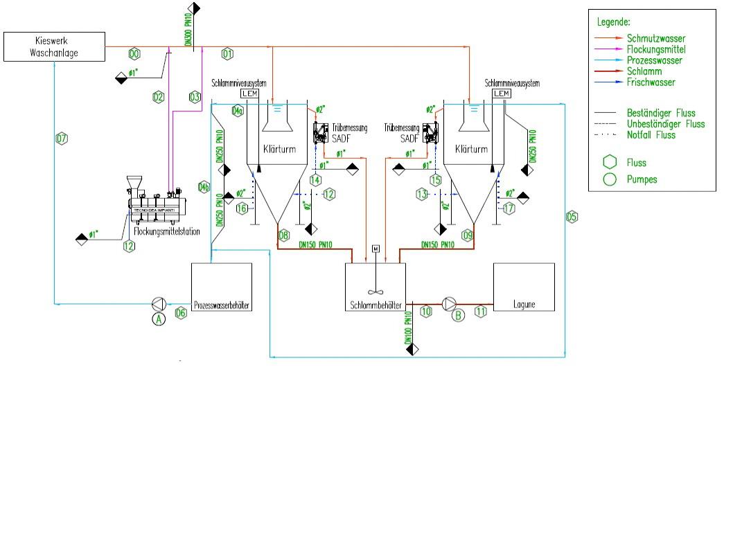
Funktionsweise<br/> Das von der Bearbeitung kommende Schmutzwasser wird zunächst in einen statisch arbeitendenKlärturm mit vertikalem Durchfluss geleitet.<br/> Gleichzeitig pumpt eine Dosierpumpe in die Vorlaufleitung des Trübwassers eine entsprechend dosierte Flockungslösung.<br/> Im Klärturm bilden sich schnell Schlammflocken, die nach unten sinken und sich im konischen Teil ansammeln, während das geklärte Wasser aus dem oberen Teil abgeleitet und anschließend im geschlossenen Kreislauf in den diversen Stufen der Waschanlage wiederverwendet wird. Der Nassschlamm aus dem Klärturmkonus wird in einen Schlammbehälter weitergeleitet und von dort zur Deponierung weitergepumpt. <br/> <br/> Zusammenfassung<br/> Mit der obigen Aufbereitungsanlage kann man angesichts Wasserbedarf und Verschmutzungsrisiko Abhilfe schaffen, denn die Beschaffung von Frischwasser wird auch aufgrund sinkender Verfügbarkeit immer problematischer, was unter dem Strich erhebliche wirtschaftliche und ökologische Vorteile mit sich bringt.<br/> <br/> Der geschlossene Wasser-Kreislauf garantiert eine optimale Wasserrückgewinnung.
Klöchberg 160 8493 Klöch Austria


Еще продаете?
Цена актуальна?
Торг уместен?
Когда и где можно встретиться?
Austria, Upper Austria Klöchberg 160 8493 Klöch Austria
Contact Seller Написать сообщение В избранное Show Phone
{{ phone }}
All offers from seller

Other offers from this section

View All