New and used industrial and Construction equipment for sale.

Services for industry and construction for sale.


Net price: 300 €
VAT: 30 €
Total: 330 €

Product ID: Bau-000025945
Price: 300 €
Section: Spare parts for vehicles
Category: For construction machinery
Manufacturer: Caterpillar
Model year:
Offer type: Buy

Gebrüder Mickenhagen KG

Germany, North Rhine-Westphalia Schmalenbach 3 58553 Halver Germany

Caterpillar 926 M/ Lüfter


Model name: 926 M/ Lüfter,
Sale type: For Sale,
{{ cf.title_en }}: {{ cf.value }},
Net price: 300 €
VAT: 30 €
Total: 330 €
Price on Request

Product ID: Bau-000025945
Price: 300 €
Section: Spare parts for vehicles
Category: For construction machinery
Manufacturer: Caterpillar
Model year:
Offer type: Buy

Поделиться объявлением:

Offer Description

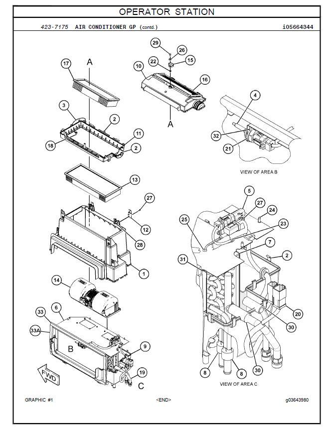
- PN 361-5586 - Gebläse Motor für zb. Cat 926 M Klimaanlage - PN 361-5586 - Blower Engine for eg. CAT 926 m air condition - ! IBAN : DE61 4585 0005 xxxx xxxx xx ! // Bei Fragen zu Abgasnormen sprechen Sie uns bitte an // If you have questions for exhaust regulations please ask us weitere Fotos und Angebote auf // More Pictures and Offers at: www.gm24.de
Schmalenbach 3 58553 Halver Germany


Еще продаете?
Цена актуальна?
Торг уместен?
Когда и где можно встретиться?
Germany, North Rhine-Westphalia Schmalenbach 3 58553 Halver Germany
Contact Seller Написать сообщение В избранное Show Phone
{{ phone }}
All offers from seller

Other offers from this section

View All